Ga naar de hoofdinhoud Ga naar de zoekopdracht Ga naar de hoofdnavigatie
Gratis verzending vanaf 399 €
Servicepartner voor meer dan 50 fabrikanten
Meer dan 40.000 reserveonderdelen in het assortiment
+10 jaar ervaring

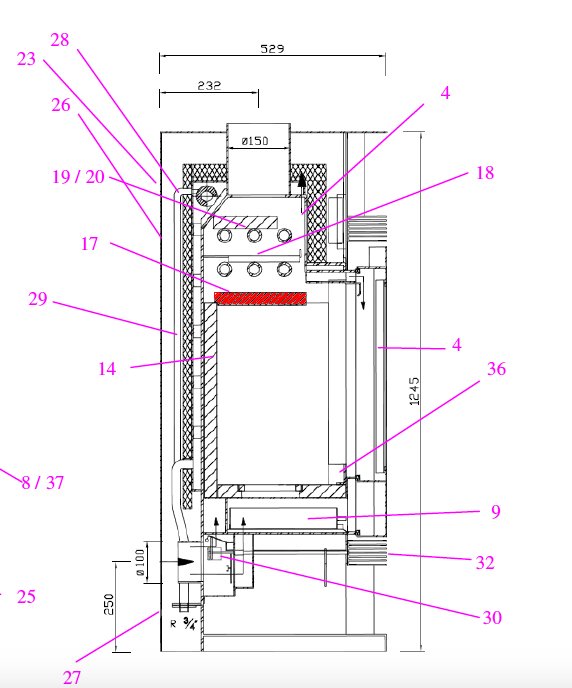
Wamsler Aquarello vlamplaat

vlamplaat /  rookgasomleiding / scheidingswand / rookafleider / omleiding / vlamplaat / spanningsomleiding / deflector / remplaat

 

Productinformatie "Wamsler Aquarello vlamplaat"

Origineel vlamplaat voor de Houtkachel Wamsler Aquarello KF 108

Wamsler Aquarello KF 108 vlamplaat Kerngegevens:

  • vlamplaat, deflector
  • Vermiculietsteen
  • Afmetingen (B/L/H) 222 mm x 328 mm x 30 mm
  • Materiaal Vermiculiet
  • Positie 17 in de exploderende weergave
Eigenschaften "Wamsler Aquarello vlamplaat"
Fabrikant: Wamsler
Materiaal: Vermiculiet
Model: Aquarello
Onderdeel art: vlamplaat
Type 2: KF 108

Fabrikant

Wamsler


DE

Vergelijkbare producten

Uitverkocht
Wamsler Aquarello Glasruit
Origineel Glasruit voor de Houtkachel Wamsler Aquarello KF 108 De fabrikant heeft de productie van dit artikel stopgezet. Als we een resterende voorraad hebben, is dit reserveonderdeel bij ons verkrijgbaar. Wamsler Aquarello KF 108 Glasruit Kerngegevens: glaskeramiek, deurglas Afmetingen (B/L/H) 257 mm x 458 mm x 5 mm Materiaal Glas Vorm gebogen hittebestendig Positie 3 in de exploderende weergave
Productnummer: 01007116

€ 351,00*¹

niet langer verkrijgbaar, productie stopgezet

Wamsler Aquarello Asrooster
Origineel Asrooster voor de Houtkachel Wamsler Aquarello KF 108 Wamsler Aquarello KF 108 Asrooster Kerngegevens: rooster, brandrooster Afmetingen (B/L/H) 148 mm x 207 mm x 16 mm Materiaal Gieten Vorm rechthoekig Positie 10 in de exploderende weergave
Productnummer: 01007122

€ 153,91*¹

Levertijd ca. 5-6 weken

Wamsler Aquarello Deurafdichting Set
Deurafdichting Set voor de Houtkachel Wamsler Aquarello KF 108 4-delige set Wamsler Aquarello KF 108 Deurafdichting Kerngegevens: Afdichtband, afdichtkoord Koordafdichting Lengte 2,80 m Diameter 12 mm Lijm sleutelgegevens: 1 stuk 17 ml hittebestendig Sleutelgegevens pakkingbinder: 4 stukken hitte bestendig
Productnummer: 01014710

Inhoud: 2.8 meter (€ 13,97*¹ / 1 meter)

€ 39,11*¹

Beschikbaar, levertijd: 4-6 dagen

Wamsler Aquarello glasruit afdichting
glasruit afdichting voor de Houtkachel Wamsler Aquarello KF 108 Wamsler Aquarello KF 108 glasruit afdichting Kerngegevens: pakking voor glasruit, dichting glas Platte pakking Afmetingen (B/H) 10 mm x 2 mm Lengte 2,00 m zelfklevend
Productnummer: 01014741

Inhoud: 2 meter (€ 10,69*¹ / 1 meter)

€ 21,37*¹

Beschikbaar, levertijd: 4-6 dagen

Wamsler Aquarello binnenwerk
Origineel binnenwerk voor de Houtkachel Wamsler Aquarello KF 108 10-delige set Wamsler Aquarello KF 108 binnenwerk Kerngegevens: 10 stuks Bekleding vuurhaard, bakstenen verbrandingskamer Materiaal vermiculiet Bodemsteen voorzijde (213 x 45 x 30 mm), Bodemsteen achterzijde (100 x 210 x 30 mm) Bodemsteen links (290 x 45 x 30 mm), Bodemsteen rechts (290 x 45 x 30 mm) Zijsteen linksvoor (218/230 x 470 x 30 mm), zijsteen rechtsvoor (218/230 x 470 x 30 mm) Zijsteen linksachter (70/48 x 470 x 30 mm), zijsteen rechtsachter (70/48 x 470 x 30 mm) Achterste muur steen (240/262 x 470 x 30 mm) Spanningsomleiding onder (328 x 224 x 30 mm)
Productnummer: 01015717

€ 348,06*¹

Levertijd ca. 5-6 weken